图知网
搜索
首页
热门推荐
图片分类
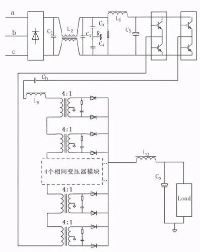
400w开关电源输出dc5v/80a原理图
下载原图
相关图片
12v开关电源电路图_word文档免费下载_亿佰文档网
开关电源电路图讲解_word文档在线阅读与下载_无忧文档
12v开关电源电路图
12v开关稳压电源电路图
12v开关电源电路图及原理
开关电源实用电路图
为你推荐
跟着欣欣子学百变发型_图片_虞书欣_esther
csgo头像第7期niko
资料:慈文东方艺人--王岚
长征途中红军无故牺牲战士,真相在半个世纪后才浮出水面
为什么我的月经是这种颜色的,怎么不是鲜艳的血,是不是我有什么毛病啊
大连找工作的朋友注意啦!千万不要上当受骗.
卡农钢琴谱钢琴弹奏简易钢琴好听治愈
创意美术光《放风筝》教你用简单的图形画春天放飞的风筝,简单又 - 抖