图知网
搜索
首页
热门推荐
图片分类
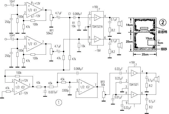
车载低音炮原理图及印刷电路图
下载原图
相关图片
两款低音炮电路
低音炮制作 漫步者 低音炮电路图
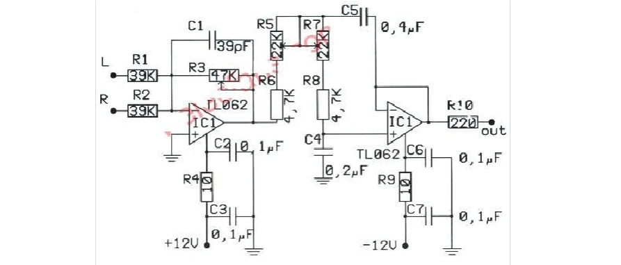
低音炮分频器电路图
低音炮电路图
谁懂低音炮电路,郁闷加奇怪的事
第二级为50hz以下超重低音的提升电路,这是一般低音炮电路所没有的
为你推荐
明星系列壁纸~易烊千玺
大明星范冰冰-a3横款挂历
白熊
恐怖恶魔嗜血图片头像 动漫吓人嗜血的另类头像【点击鼠标右键下载】
着色其中一只青蛙,蛙卵,蝌蚪,青蛙,青蛙与儿童,儿童用泡沫粘土.
最新叉车实考标准精品课件
孙悟空一生三次大战黄金圣斗士(难怪八大金刚阻止悟空下云端入大唐)(1
2023娇子香烟价格表70元至90元左右的烟列表一览