图知网
搜索
首页
热门推荐
图片分类
电工操作电路图
下载原图
相关图片
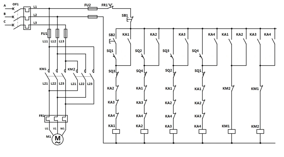
画出一电路图,要求在图上
求电机正反转加点动加时间继电器电路图
多点异地电动机控制电路
顺序控制电路原理图 实例分析,电工都喜欢
中级电工设计题:三台电机,m1启动5s自动启动m2,5s后自动启动m3,停止时
组合逻辑电路的分析方法和种类 - 电子技术_电工学习网
为你推荐
现货 韩国marmurday黑白简洁便签牛奶纹清单备忘录 ins热销便签
矢量蓝色璀璨三角形
购买了番茄小苗
患者术后咳血常呈现下列照片表现.
1988.香港十大劲歌金曲颁奖,司仪陈欣建郑丹瑞,周润发张国 - 抖音
如果穿越到三国,群雄割据的时候,你会在哪里落脚进而谋取天下?
rattan bread proofing basket natural round rattan bread
dertale au: underfell sans theovania lofi_frostfm__高音质在线