图知网
搜索
首页
热门推荐
图片分类
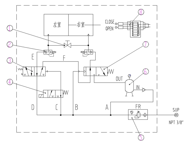
气动调节阀安装调试指导
下载原图
相关图片
最全气动回路图
气动原理
4—换向阀图10-49 过载保护回路图10-48 高,低压转换回路因气动系统
7-2 气动系统应用与分析ppt
奇台电厂除灰系统气动阀门的控制系统分析
气动阀门配双电控线圈二位五通电磁阀原理图
为你推荐
原创45岁"天涯四美"钟汉良,瞒了10年的老婆,是我们熟悉的她_时候_谢易
《创造营20220》第三次排名!希林娜依·高保持第一!
甜甜的动漫情头
高兴的表情简笔画 高兴的表情简笔画有颜色的
办公桌布置jensen桌面266
智异山天王峰日出景点
施拉德schf37边界生存刀测试笔记
古老石铁陨石,欣赏