图知网
搜索
首页
热门推荐
图片分类
60v转12v,60v转9v降压芯片,极大电流,电路简单-机电之家网
下载原图
相关图片
2 降压电路5v
3v用ams1117电路图如下
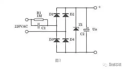
市电转低压直流的电容降压式简易电源电路
电容降压电路图
1,正常工作情况下,12v经过ams1117,输出电压为5v,此时三极管q2截止,a
三张电路图教你看懂阻容降压的工作原理
为你推荐
舅舅舅妈一起制作了这张生日贺卡,愿平安喜乐永远伴随你的左右!
新旧四小花旦pk,你觉得谁最美,谁演技最好?
脊椎部梵文纹身图片个性独特
问题解决了 现在的问题是直角溢流 排泄物什么的 会卡在这里吗?
8月29日,县教育局党组成员徐佑怀来到三里畈高中,研究部署集训筹备
家有地下储物间的注意咯年关将至小心窃贼光顾
药师兜【半蛇斗篷】
千斤拔