图知网
搜索
首页
热门推荐
图片分类
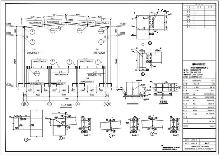
某楼房轻钢结构加层结构图- 结构图纸 - 沐风网
下载原图
相关图片
2.1 低层冷弯薄壁型钢房屋体系-村镇轻钢结构建筑抗震技术-科普
沈阳新民釉业新建厂房钢结构设计
钢结构施工图
某屋顶加层钢结构工程图
拆装式单层轻钢结构活动房屋
钢结构气楼设计图cad
为你推荐
杨洋 刘亦菲 三生三世十里桃花
画孩子的简笔画女孩简单
东成sij-ff02-25电磨正品 东成电磨 打磨机 电磨头
武磊漂亮妻子三胎生下女儿,结婚9年生1子2女依然美貌_孩子_仲佳蓓
4号蜡烛有火焰
手绘艺术鞋垫,你喜欢吗? - 抖音
穿越异界按摩棒
唐宫夜宴|插画|创作习作|sarafei - 原创作品 - 站酷 (zcool)