图知网
搜索
首页
热门推荐
图片分类
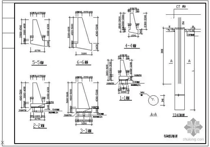
[图块/节点]挡土墙大样1
下载原图
相关图片
谁可以发下图集04j008第31516页的图集
挡土墙大样图
挡土墙算法问题
重力式挡土墙
某毛石混凝土挡土墙大样节点构造详图[1]
各类挡土墙大样图
为你推荐
吴磊现身《在暴雪时分》,让你一口气看8集太上头_殷果_林亦扬_爱情
>毛线
十二生肖婚配对照全表 十二生肖婚配表十二生肖婚配禁忌
二号餐厅出品早餐
海尔小小神童电脑全自动洗衣机使用说明书
cad建筑立面图实例剖析(pdf,70页)
伟力yz079少女心粉色城堡微钻小颗粒积木拼装益智拼图玩具
sans表情包