图知网
搜索
首页
热门推荐
图片分类
金宝crrt常见报警及对策ppt模板
下载原图
相关图片
crrt金宝prismaflex常见报警及对策ppt
解决方案
山东斯诺电子有限公司
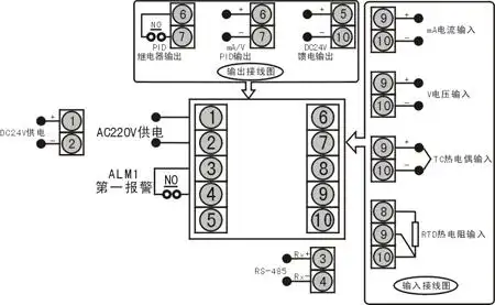
hr-wp-xd825/725/425/925-010/020-36/36/11/19-hl-p-t-a温控器
前置过滤器有用吗?如果你家里有全屋净水 - 抖音
金宝血液透析机
为你推荐
甜美可爱美少女动漫头像图片115张_女生动漫头像_头像屋
张子枫拼接缎面礼服
不过第一部的《活佛济公》还算经典,服化道也都在线!
阿庆嫂百褶围裙京剧沙家浜智斗表演服村姑演出服胡传魁刁德一
海贼王头像,路飞两年后最帅的霸气的图片-动漫头像
抗日战争时期,老百姓穿过的破旧衣服
卡旺卡(天鹅湖银泰城店)
可爱小兔子手指画画法步骤