图知网
搜索
首页
热门推荐
图片分类
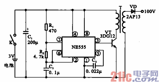
看懂这幅图就明白了利用电容升压电路的原理了容易学会的电路
下载原图
相关图片
3.7v升压600v电路图
我想做一个升压电路,我现在有三机管(9014,8050).
升压电路
升压电源电路
看看这个简单升压电路
12v升220v升压电路图大全升压电路的制作和电路图
为你推荐
运动服套装女士时尚短袖长裤气质显瘦休闲两件套2024新款洋气夏装
一组纯文字排版参考灵感
卡夫特铸工胶补漏金属焊接电焊防水强力耐高温ab胶水沾铁塑料 浅灰色
你知道怎么区分真假艾草和艾蒿吗
小花仙黑玫瑰男爵永远是我的意难平啊
秸秆打包机.产品特点: plc 遥控手柄控制操作简单,两种控 - 抖音
香烟华子多少钱,这个中华烟大概多少钱一条_香烟网-健康养生信息网
余秋雨作品:《笛声何处》