图知网
搜索
首页
热门推荐
图片分类
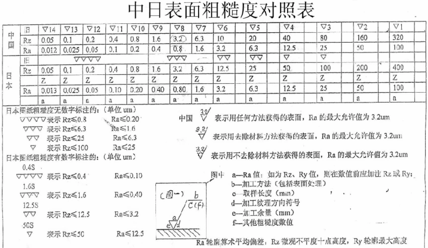
机械/仪表 中日粗糙度对照表第1页 你可能喜欢 中日对照 表面粗糙度
下载原图
相关图片
表面粗糙度对照表
中美公英制表面粗糙度对照表
粗糙度对照表
各国表面粗糙度对照表
粗糙度对照表1
光洁度&表面粗糙度对照表
为你推荐
【高清/周慧敏《红河村》】演唱会最后经常唱的一首
40种自制体育器械,让孩子爱上户外游戏!_进行_幼儿园_布料
苹果安卓手机微信记录聊天误删找回好友通讯录照片联系人数据恢复远程
立起来的筷子简笔画步骤图
云烟苁蓉和悦好抽吗云烟苁蓉和悦价格表图大全
斗罗大陆:唐门贝贝迎战黑化唐雅,以身肉搏身体被刺穿!
侧脸头像男生高冷霸气高清
简笔画之漂亮的百合花的简单画法