图知网
搜索
首页
热门推荐
图片分类
猪大油 鲜猪板油 农家土猪现宰现取肥猪油 奶白色食用荤油炼制 一斤
下载原图
相关图片
贵州猪油荤油农家食用土猪油装炒菜起酥油新鲜黑猪熬制猪大油 5斤
猪大油新鲜生猪板油农家散养现取土猪油奶白色食用炼制猪肥油
农家新鲜土猪板油猪大油猪白油猪食用油猪肥油猪油肥油出油多4斤装板
新鲜猪板油猪油新鲜农家土猪大油现取猪肥油出油高美旺吉4斤农家猪
猪大油新鲜生猪4斤新鲜猪板油
新鲜农家土猪板油猪大油食用生猪油猪肥油猪白油批发 宏嘉睿 5斤(实惠
为你推荐
lv壁纸
上古神话中的四大妖龙(今天凤凰神龙一起出希望大家喜欢)(5)
和乳腺等,结构和位置都很特殊,如:阴道比较短,又与尿道肛门位置邻近
男生帅气三七侧分
幼儿园简笔画涂色彩色房子
火柴人漫画11566
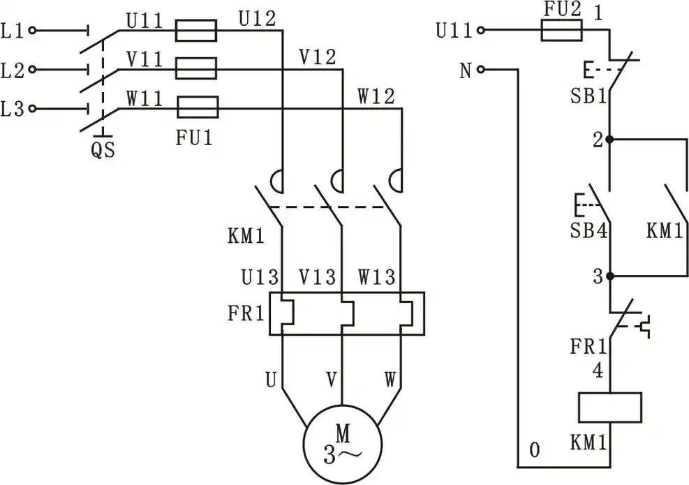
实训三 三相异步电动机自锁控制电路
大鱼古筝曲谱玉面小嫣然