图知网
搜索
首页
热门推荐
图片分类
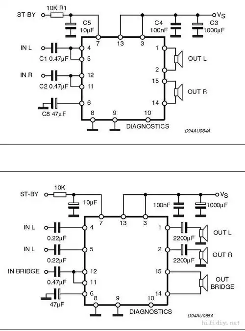
马自达悦联主机功放芯片更换tda7850a提升音质完美
下载原图
相关图片
功放板tda7377
全新原装正品 tda7379 芯片 数字功率放大器
供应tda7379数字音频功放ic
tda7379功放电路图第1页
功放tpa3116d2全新大功率芯片ic数字放大集成电路50w集成电路ic
nf是哪个国家品牌韩国nf耐福功放芯片介绍
为你推荐
最火还是两侧铲短|飞机头|刘海|烫发|寸头_网易订阅
48岁离异女征婚照片(id:93092999)_四川泸州征婚交友_珍爱网
微信中怎么删除表情包 微信中怎么删除表情包
一,引言生日是每个人一年中最特别的日子之一,对于我们的另一半来说更
【偶像梦幻祭2】侠盗宙450抽坠机实录orz_哔哩哔哩_bilibili
haier海尔ec6005hy7u1储水电热水器天猫优品电热水器
回忆小时候~来提名你看过的台湾偶像剧
浏览器搜索捏咔就可以去玩了#阴阳怪气男团 #中国boy超级大猩猩