图知网
搜索
首页
热门推荐
图片分类
光电开关接线图苍松借鉴
下载原图
相关图片
220v光电开关加延时加继电器接法
三线光电开关(常开型)控制电机,有遮挡物时电机停止,拿走遮挡物电机
奥托尼克斯圆柱形漫反射光电开关传感器红外光br100-ddt正品现货
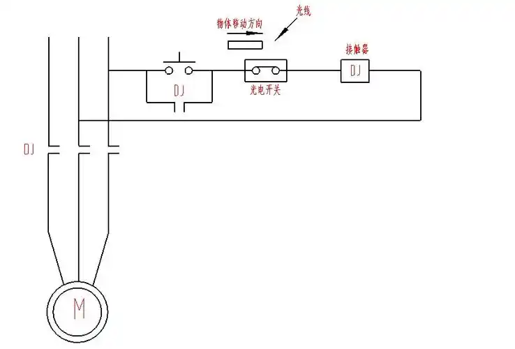
我用一个接触器 一个380电机 一个光电开关 怎么接 东西一到光电开关
光电开关的内部接线图
shs系列光电开关接线图
为你推荐
第76届威尼斯国际电影节赞助商manilagrace大秀超模招募11届sikfw
天堂鸟盆栽鹤望兰绿植室内卧室真植物乔迁送礼盆景办公室客厅大型
霉霉- 堆糖,美图壁纸兴趣社区
欧美女生霸气御姐范 - 女生头像 - 潮人个性网
和我组头像撞了没想到人造月亮能这么真实吃完火锅被吓哭010101
七个小矮人简笔画图片怎么画
仅一个年轻男性,衣服,休闲,难受,手部,休闲服,无奈,遮,遮掩,服饰,失望
russula关注打开新页热度(65)评论(4)推荐赛尔号布莱克索兰特故梦潮逐