图知网
搜索
首页
热门推荐
图片分类
不少帅哥在证件照下被"打回原形",今天小编就整理了部分时代少年团
下载原图
相关图片
吴磊寸头少年感
陈飞宇寸头亮相时装周 化身二次元少年仿佛漫画中走出的人物
宋亚轩壁纸 #时代少年团宋亚轩 #宋亚轩 #宋亚轩头像
首先是易烊千玺,因为电影《少年的你》角色需要,千玺第一次尝试了寸头
时代少年团几个小朋友好像是从很小的时候,就对剪头发这件事有阴影.
他本身就有一种痞痞的感觉,寸头更显的他痞帅痞帅的,少年感很足的大
为你推荐
日系卡通动漫美少女唯美电脑桌面壁纸下载
出道32年的任贤齐到底有多强(任贤齐个人资料简介)_金纳莱网
点烟,特写,亮光,香烟,打火机
5个闺蜜一起用的闺密头像
耽美线稿
水果姐贝克汉姆等近百位欧美明星集体发纯黑图片,为黑人之死发声
适合"心情不好时"发的朋友圈文案6015 不知少了什么 就是没有以前
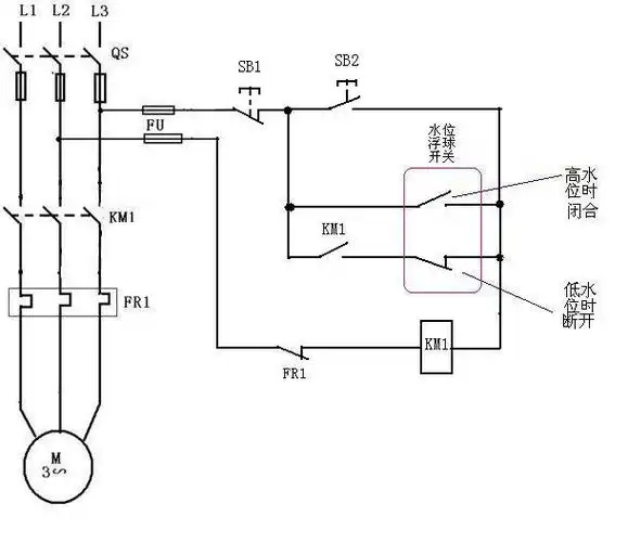
求教手动和用液位继电器控制控制潜水泵排水电路图?