图知网
搜索
首页
热门推荐
图片分类
海尔洗衣机和小天鹅洗衣机哪个好?高性价比型号性能分析推荐
下载原图
相关图片
littleswan 小天鹅 水魔方系列 tg100v88wmuiady5 滚筒洗衣机 10kg
海尔精华洗和小天鹅水魔方洗哪个好?型号对比揭秘
海尔精华洗和小天鹅水魔方区别在哪?哪个洗得更加干净?一起看看
其中海尔fpa直驱电机是海尔独家专利技术,而小天鹅水魔方是小天鹅洗衣
海尔精华洗和小天鹅水魔方哪个好?怎么选?小白按预算轻松选购
海尔精华洗和小天鹅水魔方滚筒洗衣机哪个好?解读细节看实情
为你推荐
开普勒452b:迄今为止宇宙中与地球最相似的行星!
暗黑破坏神2所有顶级暗金武器鉴赏
非洲红檀尼奥维
我们这一家表情包
乌溪江《常用草药》之44 97算盘子树96#来抖音学农技 # - 抖音
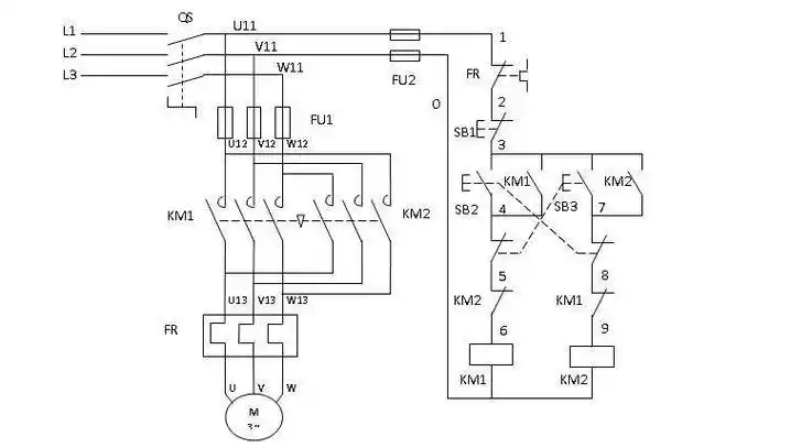
电动机控制电路接线图(三相异步电动机)-滕韵技术生活网
【经典】倩影沙漠半裸唯美人像报名帖
小时候的忘羡相遇魏婴超激动蓝湛很害羞若真如此便无悲伤