图知网
搜索
首页
热门推荐
图片分类
促销12v汽车延时吸合继电器模块 单稳态开关 ne555 延长启动接通
下载原图
相关图片
继电器 继电器驱动控制电路图:使用 三极管8550来控制,还有in4148
> 模块电路图-模块驱动继电器,蜂鸣器电路图4 电源指示灯 p0p105 5 c1
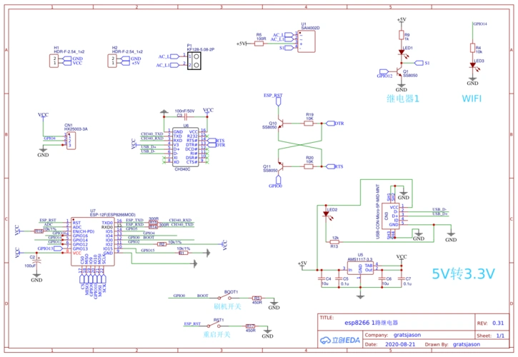
1路继电器驱动板
esp8266强电1路继电器
工程科技 电子/电路 > 继电器延时断开原理图out 3 r5 p0led101 p0led
1路5v继电器
为你推荐
亿丰时代广场 商铺
唯美意境晨雾中的湖光山色美景桌面壁纸第一辑
脚趾甲油这么选才漂亮!,脚指甲油图片 美甲图案(超显白的脚趾甲美甲)
求各种球星投篮的背影图 罚球也可以!
兔耳w动漫男头薯条
2023款宝马x1闪亮登场!搭2.0t 8at 四驱,新外观时尚年轻
乐高迪士尼城堡73
仙逆王林造型帅出新高度,出关即踏空而行,不鸣则已一鸣惊人!