图知网
搜索
首页
热门推荐
图片分类
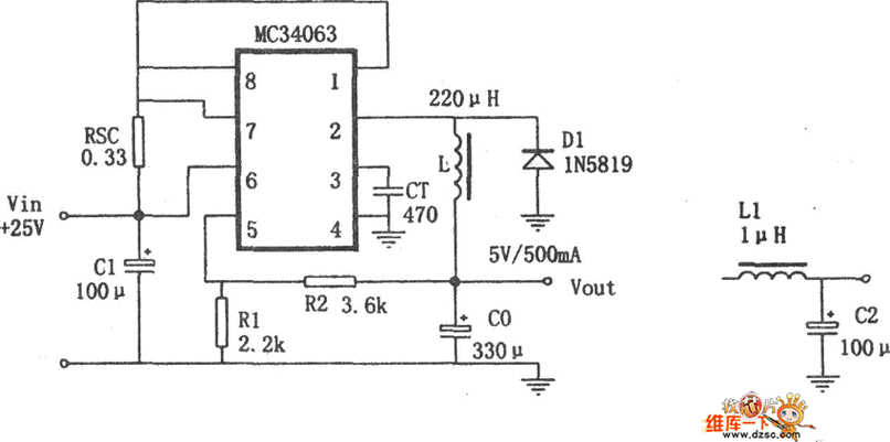
求一个mc34063的升压电路,3.
下载原图
相关图片
用mc34063制作的降压变换电源电路图
升压电路 mc34063 不正常
mc34063升压电路里面用什么电感比较好?(最好不选贴片的那些)
麻烦电子技术高手帮我解决一个34063降压电路问题
升压电路mc34063不能正常工作
mc34063从12v升压至24v的电路仿真效果
为你推荐
演员陈意涵近况曝光,怀孕9个月出席活动,四肢纤细体重仅48公斤
翻白眼蓝衣服女记者纯动图表情包
第七课笔画横的写法有孩子的建议收藏
dc12太阳能灯管led紫光紫外线365nmuva波长诱虫灯诱蚊灯管
壹嘉乐洗石水详细参数
绿色认证产品logo标志psd格式可编辑素材
女警礼赞那年三月
大唐皇帝唐玄宗李隆基简笔画