图知网
搜索
首页
热门推荐
图片分类
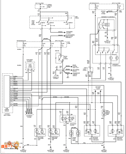
我的雾灯控制电路隆重出台60楼有真相
下载原图
相关图片
【图】6376c3雾灯电路图?_五菱之光论坛_汽车之家论坛
桑塔纳gsi轿车雾灯控制电路图
雾灯电路图
大宇雾灯电路图
奥迪(带drl) 雾灯电路图
项目5汽车照明与信号系统的检修
为你推荐
寸头77浅色帅到离谱了吧yyds
抖音文字壁纸
秦岚终于宣上自己的剧了
中国医学科学院药用植物研究所国家药用植物园初探 第四集
宫墙深深拍摄时间2018年拍摄地点故宫
73初中数学尺规作图大全 初中数学尺规作图大全 作一条线段等于
清代和田玉玉如意
搭载奥比中光3d结构光摄像头模组的银联刷脸支付产品