图知网
搜索
首页
热门推荐
图片分类
拆解澳之风3200电吹风发现神秘物质
下载原图
相关图片
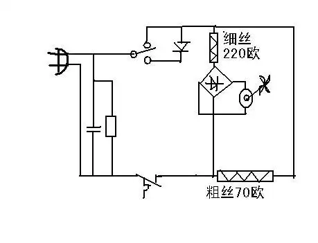
图(a)电路中,交流220v电压经小功率电热丝eh1降压及二极管vd1-vd4组成
将热空气从出气口吹出;当开关置于弱风档时,由于电源经过二极管vd半波
吹风的内部电热丝连哪里
吹风机二极管损坏故障表现维修过程分享
电吹风的电路图(简单版)
【拆解】一款家用电吹风
为你推荐
黄明昊夏日冲浪店饭拍墨镜湿发的冲浪少年太可了
①认识天气符号以及符号 - 抖音
简约防水补漏名片
舞蹈蝴蝶道具风筝飞得更高舞蹈风筝 道具蝴蝶风筝学生演出教学
香烟价格查询app(香烟价格查询网扫一扫)
改装之巅那些来自全境封锁枪械原型100盘点
为什么有的刹车盘容易生锈有的磨损沟槽深浅不一
二次元男头 哭泣