图知网
搜索
首页
热门推荐
图片分类
这不,范冰冰的弟弟范丞丞,偶练出道两年的他已经是国内小有名气的新生
下载原图
相关图片
范冰冰弟弟范丞丞旧照差距大,摇身一变成美男,网友:整容新鲜吗
天啊,原来范丞丞在一家四口里颜值垫底的原因竟然是
范丞丞整容前后照片对比 网友:洋气了
范丞丞:我没有整容,张艺兴,我也没有整容,千玺:那我算什么
整了范冰冰李晨晒弟弟范丞丞却因前后差太大引发换脸疑云
看完洪金宝大儿子跟范丞丞近照 就明白是不是兄弟了 网友:打脸了
为你推荐
许凯泡澡上热搜,美国5分钟沐浴养神法消除疲劳!
说孙俪颜值不高的,可能没看过孙俪早期作品.
热血高校
个人写真
星空- 堆糖,美图壁纸兴趣社区
爱情废柴 【简易 动听】简谱 - 曲谱歌词网
最劲爆的肌肉漫画,每张都可以做壁纸!
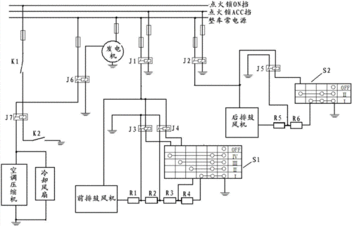
一种双排座卡车的空调控制电路的制作方法