图知网
搜索
首页
热门推荐
图片分类
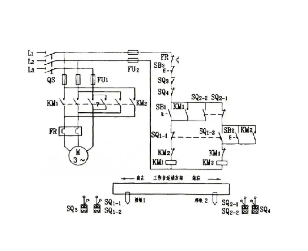
自动正反转(传感器控制往复运动)
下载原图
相关图片
有些生产机械,如万能铣床,要求工作台在一定范围内能自动往返运动
求一种上下往复运动的机构 - 第2页 - 机械设计 - 机械社区 - 百万
设计一辆小车自动往返电路 用一台电动机控制 要求1)小车到终点自动
小车自动往返运动完成plc
往返-电路图-电子产品世界
小车自动往返控制电路编程_自动往返循环控制电路
为你推荐
适合成熟男士的漫画微信头像,看起来就舒服
幽默搞笑表情包:和我谈恋爱不好吗?还有免费的帽子戴
500_500gif 动态图 动图
大头控还怀念那些拍大头贴的青春岁月么?如今"自拍"鸟枪换炮了哦
(中国影人) 端木崇慧
液下淋巴结肿大是怎么回事 这些因素你一定要知道
noodlecanteen
超级版冒险小虎队:毒药博士的恐怖计划,孤岛紧急呼救,寻找沉睡千年的