图知网
搜索
首页
热门推荐
图片分类
图文深入解析断路器
下载原图
相关图片
低压断路器工作原理
低压断路器的电气符号
电气元件 — 断路器 低压断路器的工作原理 锁钩 释放弹簧 过流 脱扣
低压断路器的原理及选用说明
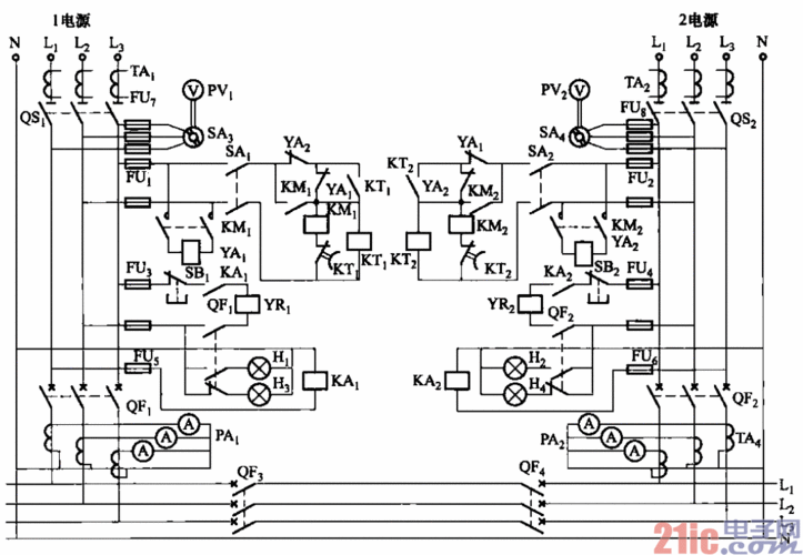
双路电源用低压断路器自投电路
真空断路器合闸线圈烧毁的原因及防治措施
为你推荐
小朋友你们听过金凯瑞吗那个车里摇头晃脑四兄弟的表情包
职业装最美证件照
《大明风华》朱高炽下线,网友:梁老师走后就没什么看点了
高中数学三角函数最全的公式汇总
咖喱咖喱简谱歌谱-苍强曲谱
素描 皇冠 矢量图 黑白画
大麦头像寓意
【合肥】2004年6月 路虎 神行者 2004款 2.5 v6 手自一体