图知网
搜索
首页
热门推荐
图片分类
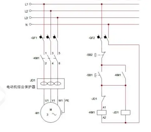
电动机综合保护器接线图?
下载原图
相关图片
电动机综合保护器 jd-5(作用:主要用来对电动机进行过载和缺相保护)
jd5电机综合保护器原理图
高压异步电动机综合保护电路b
理工学科 工程技术科学 展开全部 电机综合保护器根据电路原理,接线
新型的电动机综合保护器,它的工作原理是怎样的
综合保护器a1 a2接线,接220v或者接两根火线是什么意思
为你推荐
扁平化蓝黑渐变折纸
永远为王源的文字感动
华晨宇小时候
流行的一款短发发型,也是众多女生一种选择,方脸和圆脸女生都十分适合
施耐德ups接线图解
心心念很久的lisa锁屏壁纸|壁纸_新浪新闻
古天乐做慈善_关于明星的捐助慈善的新闻_古天乐慈善基金
lol新版阿卡丽皮肤原画曝光:满是纹身的女忍者,比以前漂亮啊!