图知网
搜索
首页
热门推荐
图片分类
三十五年再聚首,重温同学梦,青春不散场.
下载原图
相关图片
唐僧禅杖
西安 古青龙寺 禅杖
唐僧的禅杖
纯铜龙头拐杖
1442 汉代 青白玉龙凤首权杖 (一对)
马未都:真正的龙头杖,估价已经没有意义,多少钱也无法形容
为你推荐
他们胡作非为的巅峰,就是举世闻名的光州事件,至今,人们仍然没有弄清
天津地铁规划图(全)
中国基建征服南海!南沙群岛9座岛礁,8座建有永久性工程,厉害!
超级玛丽:马里奥巨型金币迷宫闯关,拯救公主
积累封面简笔画
2016年9月29日 10:55 关注 旅行 成都 都江堰 出租车 熊猫 评论
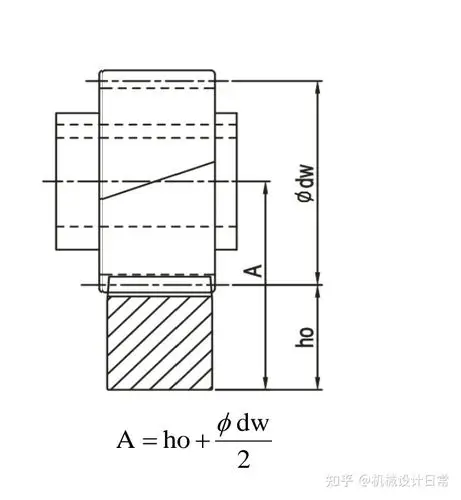
齿轮齿条的认识及应用注意事项
第48集【国画教程】美人蕉画法