图知网
搜索
首页
热门推荐
图片分类
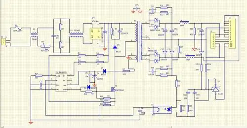
分析及检修康佳34005553型电源板电路上
下载原图
相关图片
一,主开关电源电路
电源电路图
有人用hb6266a电源管理芯片做过电源吗,求分享经验.
电源8脚ic烧炸了,怎样确认集成块型号?
60w开关电源芯片,开关电源芯片,银联宝科技(查看)
讨论开关电源的过流保护电路
为你推荐
匠艺术字体匠头像匠笔顺匠同音同调字查询
钢琴谱:在水一方
小花仙之四时花语
人间第一情(大字单页)简谱-张也演唱-落红制作曲谱1
如何进行一个哑铃罗马尼亚硬拉?_手机搜狐网
爱江山更爱美人的朱豪
送教到校越秀区少年宫到清远飞来湖中学开展对口帮扶交流
推销员