图知网
搜索
首页
热门推荐
图片分类
ai少女人物卡mod高质量高级捏脸模型分享
下载原图
相关图片
银发ai少女合集(可做壁纸)
银发ai少女合集(可做壁纸)
甜心选择2 ai少女人物卡mod
ai少女人物卡一般从哪获取? - 知乎
ai少女清纯黑发性感大姐姐mod
ai少女捏人数据下载合集2
为你推荐
西装男头像不露头
back to school events
卡通小鱼图片简笔画图片卡通小鱼干简笔画可爱小鱼干简笔画可爱小鱼简
由陈浩民,穆婷婷,陈威翰,陈紫函,徐申东等主演.
钢筋冷挤压套筒机--一次成型钢筋冷挤压机-崇左钢筋冷挤压套筒机
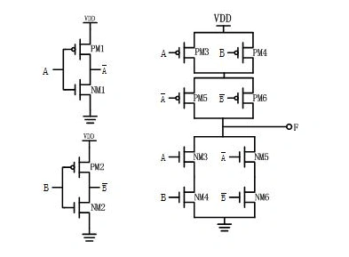
下图是一个完整的电路:至此,一个完整的cmos异或门电路设计完成
十二星座 十二生肖 十二花神简笔画合集
组图:《id江南美人》林秀香拍写真 眼神温柔色调淡雅