图知网
搜索
首页
热门推荐
图片分类
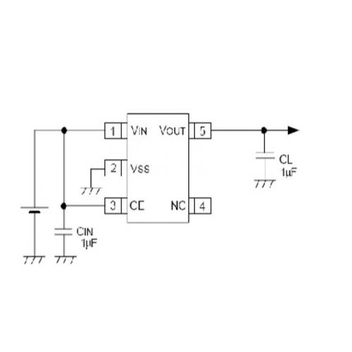
ncv4275adt50rkg低压差稳压器芯片中文资料pdf数据手册引脚图图片参数
下载原图
相关图片
求型号为7550a-1ic的电路图,谢谢.
5v稳压芯片 5v稳压芯片五脚
mc78m05abdtrkgmc78m05acdg线性稳压器芯片中文资料pdf数据手册引脚
ncv4275adt50rkg低压差稳压器芯片中文资料pdf数据手册引脚图图片参数
l78l12abutr稳压器芯片中文资料规格书产品文档pdf手册引脚图概述原理
mc78l05acdr2g线性稳压器芯片中文资料规格书pdf数据手册引脚图参数
为你推荐
二十几岁男生别剪这些发型试试这款两边铲短发干净又帅气
jennie同款耳洞_耳洞_耳钉_耳骨_时尚_时尚其他
其它 百花之尊——海棠花开盛满园 写美篇 中国人民喜爱海棠,其根本
正常cvp波形
三色珠光是一种高贵典雅的梦幻装饰效果,体现出主人个性张扬的风格,又
图底反转(视觉错觉)
蝴蝶结纹身图片_腿部蝴蝶结纹身图案
两分半看完回复术士兔里的穿越人生