图知网
搜索
首页
热门推荐
图片分类
3月4日沈阳飞韩国仁川国际机场
下载原图
相关图片
国际快递转运仓
仁川机场接妈妈老妈韩国游记
首页>机场代码>韩国机场代码>仁川国际机场incheoninternational
韩国仁川国际机场
仁川机场落地02韩国入境浅记一下99
13韩国仁川国际机场一览
为你推荐
tfboys六周年王源蒙眼黑网纱造型太惊艳小汤圆绿海霸气应援
一锅多用九阳电煎锅
90后童星要努力了,不然这些00后小童星
这5位女星,本以为是单身,其实早已结婚了|胡歌|杨子珊|王子文|阿sa
试驾哪吒v最便宜的纯电动suv开起来却像mpv
看图识肥害
魂限定shf假面骑士chaser傻切.16年1月发售.当年一 - 抖音
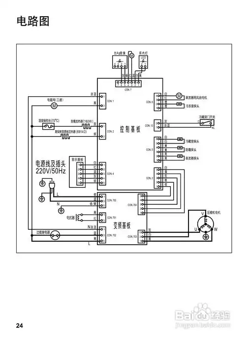
松下nr-c25vp3冰箱使用说明书:[3]