图知网
搜索
首页
热门推荐
图片分类
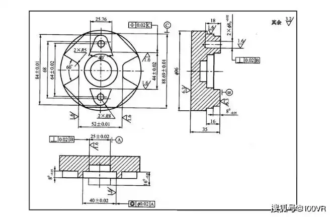
数控铣,加工中心图纸(1)
下载原图
相关图片
数控铣床加工中心编程实例带走吧
数控铣加工中心图纸
数控铣,加工中心图纸(1)
数控铣,加工中心图纸(1)
数控铣,加工中心图纸(1)
拜求这个数控题目的程序?(安徽省数控大赛铣床操作题图纸)
为你推荐
你知道真实的狐狸精世界是什么样子吗?
头像| 一看就舒心的可爱头像 - 知乎
宋承宪签约新经纪公司kingkong娱乐将开启新一页
网友:王宁,才是目前央视一姐!_网易订阅
sqex将在e3发表《复仇者联盟》游戏,avenger assemble!
九之濑遥
红色梦幻光点
极品帝王木 印尼血龙木手串全透男款佛珠女款手链送礼品情侣礼物