图知网
搜索
首页
热门推荐
图片分类
关于玉米秸秆还田,你了解多少?
下载原图
相关图片
蓝天背景上的新鲜玉米秸秆
玉米秸秆
全株青储玉米秸秆喂牛羊玉米青贮饲料压块玉米青储秸秆饲料
农村的玉米秸秆不让焚烧,到底该怎么处理?
全株青储玉米秸秆喂牛羊玉米青贮饲料压块玉米青储秸秆饲料
牛喂青玉米秆的注意事项
为你推荐
李冰冰的颜值不显老,50岁白皙似少女,妥妥的不老女神!
韩版牛仔贝雷帽女夏季薄款百搭三角标画家帽春秋小众报童帽蓓蕾帽
手绘矢量mbe风格可爱表情浇花洒水壶
传动机构采用了一台来自爱信的e-cvt变速箱,利用行星齿轮结构来完成
树叶贴画孔雀#树叶贴画 #亲子手工
缪海梅的比基尼胸照 缪海梅的胸围有多大
黄花园(地铁站)-"黄花园地铁站可以俯瞰嘉陵江,景色确实漂亮.
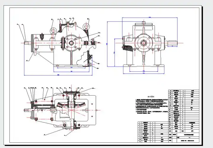
单级圆锥齿轮减速器装配图a1cad图纸