图知网
搜索
首页
热门推荐
图片分类
【男装纸样】两款男士内裤的图纸参考,共五个码!
下载原图
相关图片
男士莫代尔平角内裤的图纸和制作
男士图片平角裤裁剪纸样儿童平角内裤裁剪纸样技巧哎布布一周岁的宝宝
红豆男士柔软棉氨高弹一片式剪裁内裤四条装
怎么裁剪男式内裤
典型内裤制图⑥:男式内裤结构制图
[男装纸样] 男士平角内裤纸样
为你推荐
可爱的猪猪 - 堆糖,美图壁纸兴趣社区
微博壁纸集-动态gif图片,动态头像系列★【新浪微博:高清无水印
斐乐filapanini减震耐磨高帮复古篮球鞋男款黄白色黄白色445
运动板鞋 匹克板鞋男鞋秋季低帮休闲鞋子男空军一号小白鞋运动鞋男db
几何墙面,集创意与设计感于一身,使家变得与众不同 .
手动喷雾器皮碗配件 喷雾器打气筒活塞毛头压把摇杆连杆
绘本阅读我的手指画创意绘本3海底世界
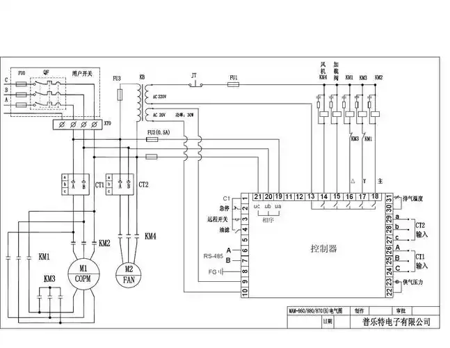
螺杆式空压机mam880控制器电气原理图