图知网
搜索
首页
热门推荐
图片分类
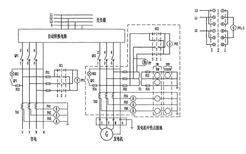
柴油发电机组控制器系统原理图
下载原图
相关图片
柴油车的启动锁与调节器和发电机如何连接?
求柴油发电机接线?
5千瓦380v柴油发电机yt6800e3
全自动发电机ats接线图
启动控制和励磁系统在柴油发电机组上的接线布置图
起动机接线和原理图-柴油发电机组.png
为你推荐
哇哦~神奇的绷带
穿着军装跳起来的小女生要如何画?-红豆饭小学生简笔画大全
眼镜品牌策划
《大鱼海棠》12孔陶笛动态谱
故事分享《丑小鸭》
松山医院:中医拔罐疗效多 但不要盲目跟风
三个月的婴儿大便有线状黑细条,像虫子样,不知是什麼?
雨后"幸福茶园"景如画