图知网
搜索
首页
热门推荐
图片分类
大连雨林微课堂—卷盘式喷灌机
下载原图
相关图片
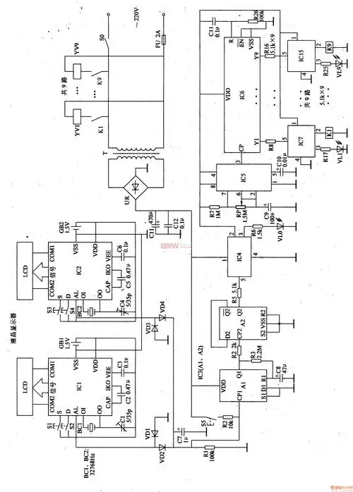
自动喷灌控制器电路图七
指针式喷灌机-山东德瑞农业科技有限公司
通过上面两个图可以看到,指针式喷灌机的运行都是以最后跨体运行,然后
dyp沃达尔dyp指针式喷灌机 进口核心部件
据悉,指针式喷灌机因其工作状态像表上的指针而得名,又名圆型喷灌机
自走式大型喷灌机械设计(含cad零件装配图)
为你推荐
生命之路大地情书昆仑山可可西里三江源自驾之行
被打的孩子
adidas阿迪达斯男鞋ultraboost运动鞋轻便透气跑步鞋gz012940uk65码
厨房 不锈钢挂衣钩浴室衣服挂钩架 门后衣钩排钩衣帽钩 厨房挂钩壁挂
black pink全员合照 今日分享
特价鱼缸
class 公开课课件ppt 牛津小学英语 say the chant door ,door, open
jerry lorenzo又来"致敬"自己的偶像了