图知网
搜索
首页
热门推荐
图片分类
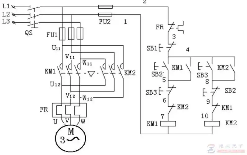
电工新手,请教老师傅,发张控制电动机正反转电路图和实物接线图,发到
下载原图
相关图片
三相异步电动机正反转控制电路(修改)ppt
电动机正-停-反转控制原理图 主电路 控制电路
正反转控制电路
三相异步电动机手动正反转控制电路
三相异步电动机正反转控制电路见附图.
正反转电路ppt
为你推荐
omg!白宇的眼镜杀!
设计感高级西服套装.[轻奢高端]白色西装套装女2024春季新 - 抖音
韩国女团现场热舞 dal shabet 饭拍现场 有没有 赵雅英健康活力
趣味语文,我们的《牛郎织女》连环画 - 美篇
1.蚕菜去除粗梗,掰成小棵,用清水冲洗干净.
aj1golf北卡蓝
勒柯布西耶
孙安可缉魂饰四角靠的是察言观色