图知网
搜索
首页
热门推荐
图片分类
图为摩托罗拉a1680真机
下载原图
相关图片
第十五款:明a1680:2009年上市,盖上盖之后,会发现透明翻盖的里外色差
9518下载 1024x768 红色 高清壁纸 第1页 _南风壁纸
明系列复活重生 摩托罗拉a1680智能手机
经典"明"系列新机 摩托罗拉a1680图赏
【文章图片】摩托罗拉a1680演绎"明"系列重生之路_第9张_手机中国
供应摩托罗拉a1d系列数字商用对讲机中轻巧的机型
为你推荐
东吴的孙权,为何执意除掉关羽呢?背后三大原因,不得不杀关羽!
lepaule dagneau qui tue en mode souvenir distanbul!
聂磊出道39聂磊宴请张所长
广州天河体育中心中轴
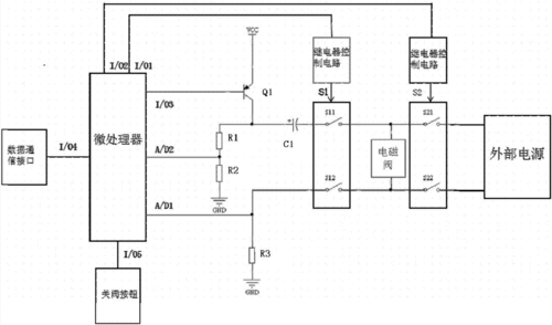
电磁阀控制电路的制作方法
关于铭记历史的句子 1,也许是,就如你:国共十年的对峙,在那些左倾错误
16夏新款外贸童装bape鲨鱼头印花纯棉迷彩四色拼接儿童短袖t恤
嘉嘉妈妈-1做的珍珠奶茶