图知网
搜索
首页
热门推荐
图片分类
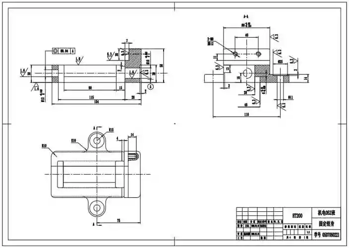
2. 固定钳身(仰视)
下载原图
相关图片
固定钳身.dwg
焊接二牛大力多功能管焊对接对口固定夹钳工具大力钳
第2讲固定钳身图纸分析2
1固定钳身零件图.pdf
固定钳身零件的加工工艺规程及铣工字型通槽的工装夹具设计【说明书
机用虎钳soldworks零件及装配体截图
为你推荐
唯美意境系二次元风少女壁纸
林俊杰 - 黑夜问白天!
15万元,奇瑞新能源小蚂蚁·魅正式上市
【沙雕梗图】人间真实系列(46)
圆体英文thegardener
p>陶珞依 i>(原名苗洛依) /i>,3月11日出生于安徽省 a target="
保定钟楼
飞船图标40航天飞船1262高科技太空飞船852123下一页