图知网
搜索
首页
热门推荐
图片分类
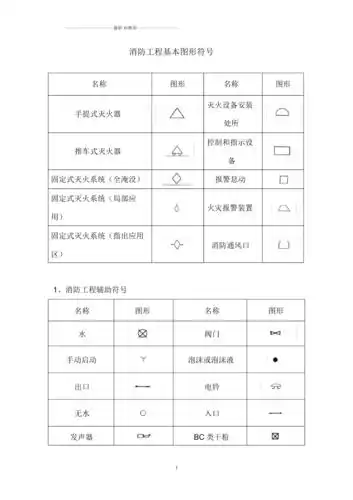
火灾自动报警系统图纸中常见图形和文字符号汇总
下载原图
相关图片
国家标准消防图例
消防系统图例说明ppt
图例符号
超全消防工程图形 文字符号!助你快速读图!
消防图纸的各种符号大全集火灾自动报警系统图例符号
消防工程各图形符号
为你推荐
惊鸿一瞥的古风文案//惆怅人间留不住,一川星斗和离愁
fgo愚人节无水印卡面分享 2017国服愚人节从者立绘一览 - 6g手游网
这些饼干里还加了海苔,夹心等,都是香脆甜为主.
行程路线图行程安排:1day活动集结,了解宁夏·初识星空【住】银川市五
宝马x5(进口) 2020款 xdriv
爸爸妈妈:快来看看吧,不要忘了表扬宝贝们 活动一 语言:樱桃和辣椒
爱运动的男生手绘头像运动健将
长袖体能服训练服 新式长袖陆春秋体能服团体作训服上衣外套透气裤子