图知网
搜索
首页
热门推荐
图片分类
乙酸乙酯的合成回流法.pdf 14页
下载原图
相关图片
连续提取装置
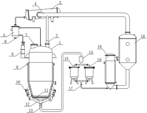
cn203469533u_一种中药连续回流提取装置有效
执业药师-中药化学(实验/精品)2014年 基础精品/实验班
一种立式连续逆流提取装置
新3 酸回流提取装置 优质玻璃成套仪器 实验室玻璃仪器图片
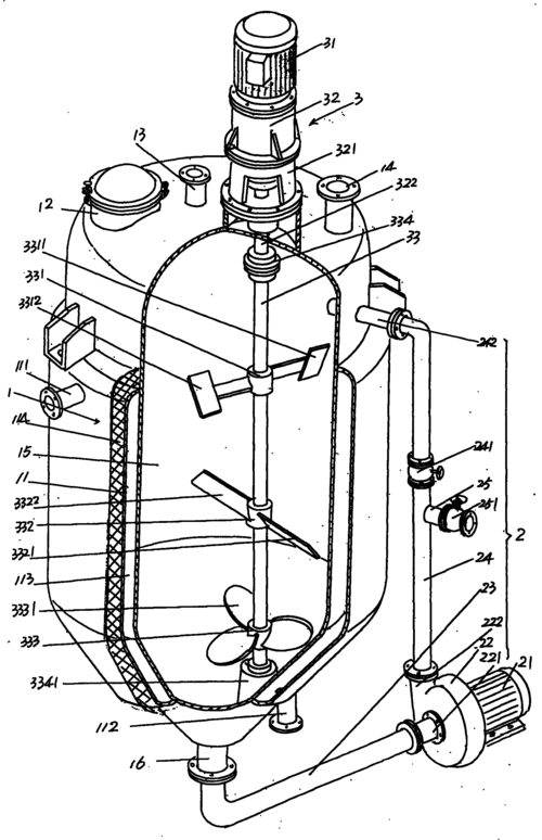
5)连续回流法 定义:采用 索氏提取器进行回流
为你推荐
这儿呢!在在在07 #怀柔王子 #白敬亭 #帅炸
曾黎的生活照让人眼前一亮,她的气质特别好,简约利落的白衬衫搭配橙色
古风女
黑化的小心超人大战开心超人真的是一脸帅气呀
大罗
农村一层三合院设计宽敞舒适足够大家庭使用一层平房别墅设计农村自建
一年级:童心向党庆百年 党是太阳我是花 左右滑动浏览图片 以童谣
「慢行河南」开封 part.4丨开封博物馆