图知网
搜索
首页
热门推荐
图片分类
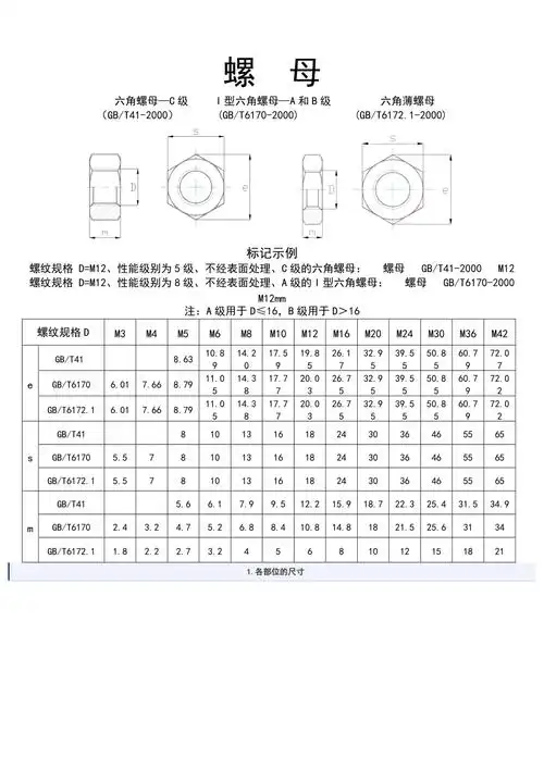
2.2-1.2 小六角螺母 表1-2
下载原图
相关图片
螺母 厂家直销六角m3-m20紧固螺帽 供应批发201不锈钢高强度螺母
灯饰细牙螺母 灯饰螺母 六角幼牙 薄螺母 批发铁六角螺帽 m7-m12
gb61701型六角螺母国标2205双相不锈钢六角螺丝帽m8m1216
东明304不锈钢细扣 细牙din934六角螺母螺丝帽m6m8m10m12m16m20
不锈钢六角螺母螺帽m1m2m25m3m4m5m6m8m10m12m14m16m18m20m30螺母
gb6176 10.9级细牙加厚六角螺母 m36m39m42m45m48m52m56m64*3x4x3
为你推荐
水彩风格三口之家亲子家庭合影插画
玫瑰金回形针高音符创意金属回型针音乐符号造型曲别针卡通纸夹子
9头身男性
【四品目标·融合课程】新年心主张 江华好少年——江华小学开展心理
这个是群主亲的(熊猫头表情包)_群主_熊猫_这个表情
背部穴位图 最全的背部穴位介绍快收藏
华润瑞府主推建面约120-180平米新品住宅_武汉瑞府-武汉房天下
一口价——字画类-31牧童骑黄牛字画