图知网
搜索
首页
热门推荐
图片分类
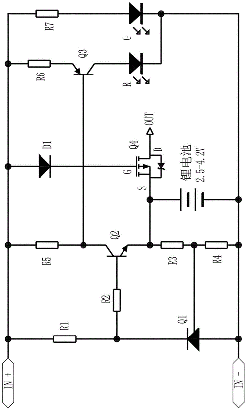
充电器充满变灯电路图五款充电器充满变灯指示电路详细一般充电器的
下载原图
相关图片
用3842做的12v充电器转灯电路
自制了一个12伏充电器,想让它充满电转灯,哪位大师!
充电器转灯电路的问题请赐教
电动车充电器灯闪烁怎么维修
电池充电器如何实现反向保护?
单节锂电池充电转灯电路的制作方法
为你推荐
仙剑奇侠传7高清壁纸合集
克罗恩_kalina_肠道
家族标志设计模板
虽小但很温馨简约宜家风格室内设计效果图
狂笑四杰~宇智波带土_哔哩哔哩_bilibili
游戏人间(连续剧《海马歌舞厅》主题曲)
番茄脐腐病图片_病虫草图_191农资人 - 农技社区服务平台
q版漫画猪猪女孩啊332手绘头像画定制q版卡通人物真人照片转漫欢