图知网
搜索
首页
热门推荐
图片分类
菜园简笔画教程
下载原图
相关图片
8种蔬菜的画法简单漂亮蔬菜简笔画图片
春天的菜园简笔画春天的菜园简笔画怎么画
秋天的菜园里有什么蔬菜简笔画
(向下滑动查看更多哦~)菜园里菜园里的景象,教科学子们画的愈来愈好了
田地简笔画怎么画田地简笔画顺序田野怎么画田野简笔画简单又漂亮彩色
农场的简笔画的
为你推荐
曹颖,王同辉,张一山《最爱你》官方2页4面画册
彦儿sariel
同学们通过手抄报的形式展示与交流爱眼护眼知识
尔康,我再也不能拿小枪枪突突你胸胸了!
不同进餐顺序的餐后血糖波动情况
纪凯莉老师分享你是否离比基尼渐行渐远
xtep 特步 160x 3.0 男子跑鞋
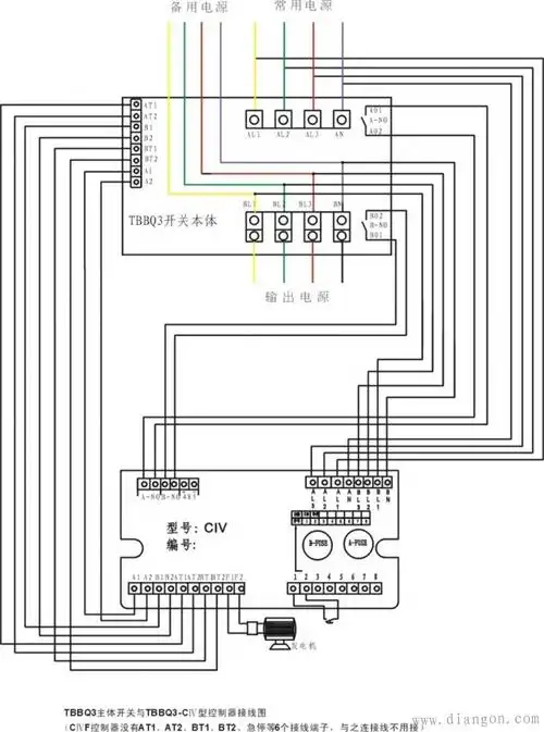
双电源自动转换开关atse设计原理和接线图解决方案华强电子网