图知网
搜索
首页
热门推荐
图片分类
卡通构建小康和谐社会
下载原图
相关图片
保护公民权益,共建和谐社会
简洁手拉手和谐社会png素材透明免抠图片装饰效果
手绘社会核心价值观文明城市和谐社会插画
图表·漫画:构建和谐社会
共建美好和谐社会ppt
和谐社会宣传展板海报
为你推荐
头像图片汉服女 高清眼中泛泪光穿汉服的头像女生_女生头像_头像屋
"人设崩塌!净身出户"离婚34年,68岁的张国立二婚丁克半辈子!
叶子简笔画 叶子简笔画怎么画
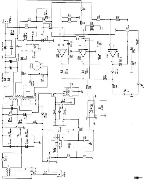
电动车充电器电路原理图
高中校服
南美洲是酱紫的……话不多说,进入主题看看他描绘的各国眼中的世界是
账号已封头像 此号已被永久封禁头像带字
成都东站全景航拍高铁站高铁动车进出站