图知网
搜索
首页
热门推荐
图片分类
固定式钢直爬梯标准
下载原图
相关图片
安全爬梯梯笼揭阳市施工安全梯笼电话
室外爬梯
护笼钢直爬梯cad图
直爬梯护笼钢梯图集15j401 02j401 热镀锌板式钢螺旋梯 普通钢梯
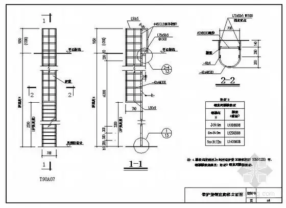
某工厂带护笼钢爬梯结构方案图
钢爬梯安装方案
为你推荐
这款choker项圈自带仙气的
【向涵之】小向以前的照片影集外加近期小视频_哔哩哔哩 (゜-゜)つロ
机场手机拍摄
26个字母大小写正规写法
求几张小女孩凉鞋的照片
五菱宏光终于出超跑啦仅售55万直言吊打兰博基尼
不用你的假好意表情包 - 不用你的假好意微信表情包 - 不用你的假好意
植皮整整十天了,不知道效果咋样!