图知网
搜索
首页
热门推荐
图片分类
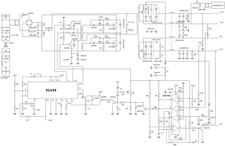
明伟12v开关电源电路原理分析
下载原图
相关图片
坛里购的12v10a开关电源电路示意图
12v开关电源电路图
开关电源电路图
开关电源
搞装修送的一个坏12v10a的电源大家看看哪里坏了
小功率开关电源电路
为你推荐
这座城堡建于13世纪,见证了数百年的历史变迁.
肯梅塔菠萝鱼
盛势_势不可挡_第26集_预告(龚俊,徐峰_领衔主演)_hd[1]
《从结婚开始恋爱》男主龚俊,颜值超高的小哥哥,腹肌身材真香
血界战线 绝望王口哨曲
61友情提示:大雨过后,玉米最容易得的就是玉米苗枯病,茎基腐病 - 抖
江苏女娲庙出现古墓,发现"女娲真身",专家:神话是真的?
创业展板背景素材