图知网
搜索
首页
热门推荐
图片分类
用555定时器怎么做一个58khz的方波发生器,电路怎么设计
下载原图
相关图片
2013-11-30 multisim设计555方波信号发生器报错,求检查一下电路
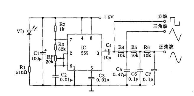
555芯片组成的方波,三角波,正弦波发生器电路图
而multisim出不来,有个同学说555出来的1hz信号不稳定需要用分频电路
求用555时基电路产生1khz占空比50的ttl电平的脉冲方波电路图
用555定时器构成频率20khz~50 khz可调而脉宽不变的方波发生器 求
555构成的占空比可调的方波产生器电路图
为你推荐
桐姐和淇淇的古装我都很喜欢,今天的海报妆造也很美丽诶.
励志减肥 手机壁纸
长江白鲟:我们从未相见,听说便是诀别! _人类
刘丹
hk · 深水埗 这座城市的生活气息
作废巴西护照
"我有护身符,警察抓不到我!"_李某钱_警方_砀山
怒火之焰:《西部世界》第二季第三集解析