图知网
搜索
首页
热门推荐
图片分类
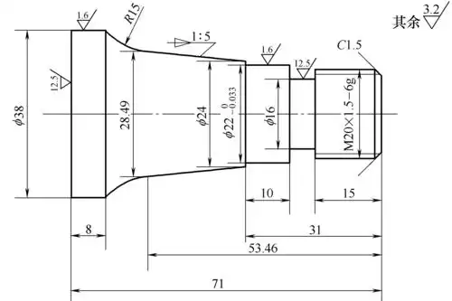
hl线切割机床控制编程-图形编程实例
下载原图
相关图片
凹模型腔的线切割加工n010 g90 g92 x00 y00 ;(绝对值编程定义
数控机床编程实例图纸程序
实用文档之线切割典型零件3b编程示例
数控车床经典编程实例
数控仿真编程实例1
数控仿真编程实例2
为你推荐
怎么这么牛啊中国机长
大吉大利萌宠头像
预订 高被引advanced cultural districts: innovative appr
过度营销,质量缺陷……购买"盲盒"勿盲目
《龙珠:超》布罗利全新形象立绘和常态手办公开:与之前有很大的不同
广州黄埔乡村文化墙彩绘·文明墙绘·古村落墙绘·追梦墙绘
八仙过海留下此仙花在人间开爆了
吉林市桦甸市地标 九曲桥