图知网
搜索
首页
热门推荐
图片分类
omron my4n-d2 dc24(s) 5a30vdc 继电器加二极体 14pin
下载原图
相关图片
继电器接线图4
欧姆龙中间继电器接线图
中间继电器接线图及工作原理
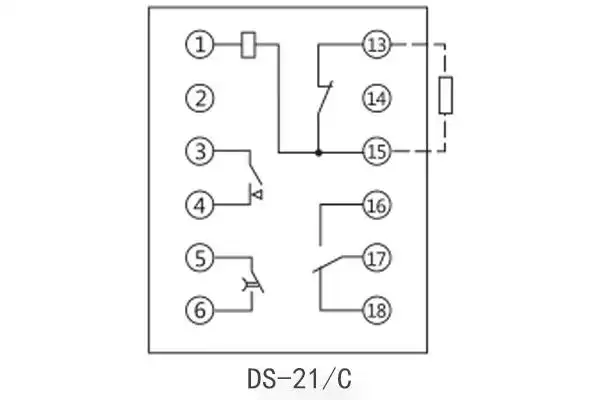
二,ds-21c时间继电器接线图
原装正品 欧姆龙 omron 小型继电器 ly2nj ly2n-j dc24v
热继电器的接线方式
为你推荐
世界著名火腿大全
一套卡通可爱动物的头像.矢量图照片
意难平王一博各色古装齐上阵天妈先行一步弥补无剧照尴尬
张钧甯新片豪门儿媳不好当##张钧甯新片loopy同款委屈#电影《瞒坦过
从1到100的英语单词
男人七大性感部位纹身图案
女生 古风 动漫 头像
叶罗丽水王子的真名雪藏多年官方终于揭晓名字和火燎耶挺般配der