图知网
搜索
首页
热门推荐
图片分类
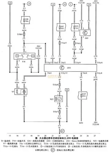
13年捷达前卫空调电路图
下载原图
相关图片
常见车型空调线路图 捷达前卫空调线路图(1/2)
大众捷达轿车开空调无冷风
图2是捷达前卫未改前的空调电路图,改装的目的是在继电器盒n4柱引出线
全车电路图 捷达使用说明书 汽车维修电路图 桑塔纳3000电路图 空调
解读2010款捷达空调电路技术
大众捷达pa空调无法开启故障检修
为你推荐
早餐
宋威龙说在座的都比我帅一点##宋威龙把帅贯彻到底
朱祁钰真一无是处?实则不然,他是一个被"反派"推上绝路的主角
大胸缩小手术安全吗缩胸手术有哪些方法呢价格是多少
2021年日历(a4 带农历)
图文:《凌云壮志包青天》-10
这款华为p9配备屏幕5.
出自山寨臆造诺基亚n98手机提前问世