图知网
搜索
首页
热门推荐
图片分类
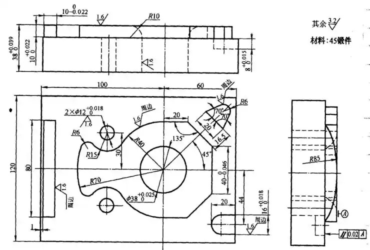
铣加工工艺及编程设计【三维sw】【mastercam】 (2)【含cad图纸终稿】
下载原图
相关图片
数控铣床加工中心软件应用图纸例题01
数控铣,加工中心图纸(1)
a3零件图.dwg [56.70 kb] 查看图纸 文档介绍: 试后记录在控制
数控铣床进给机构联接座加工工艺及其专用夹具设计【铣顶面 钻6-Φ
铣床(等臂)杠杆 加工工艺和钻φ10h7孔夹具设计[气动][含cad图纸和
数控加工中心 铣床实操 数控铣工图纸 数控铣床操作 数控铣床加工中心
为你推荐
花世界!鲜花系列之玫瑰宽屏壁纸
二次元头像男生可爱萌q版 男生头像图片大全 -【爱个性】
活动 为你明灯三千
地板铲刀玻璃瓷砖铲刀保洁清洁工具除胶铲子刮刀片墙壁云石铲刀
《海贼王手绘》一周作品图片集合.#海贼王 #手绘 #画渣日常 - 抖音
b-花园-围墙-花瓣网|陪你做生活的设计师 | o様邸
卡通手绘投资理财海报图片
居家自拍