图知网
搜索
首页
热门推荐
图片分类
"文明礼仪伴我行"金秀瑶族自治县2022年线上绘画比赛优秀作品展
下载原图
相关图片
【张江羽然】《文明出行 从我做起》
绘画作品精选 为进一步活跃校园安全文化,培养学生良好的交通文明
《文明礼仪伴我行》张涵博
更重要的是培养了学生"讲文明,重礼仪"的行为习惯,进一步优化学校环境
文明健康,有你有我一一锡市实验二校参加全市绘画比赛
我心中的文明模样绘画
为你推荐
年会装红色职业装女神范套装时尚主持人西装高端正装干练气质西服
可爱卡通元素背景图片桌面壁纸
越南第一夫人陈丽春:蛇蝎美人,因傲慢引起兵变,几乎全家被杀
如意花:寓意吉祥的美丽之花
q版情侣头像古风水墨清冷男女生可爱头像
周润发电影《防弹武僧》影评:我的好莱坞之路并不光彩和顺利
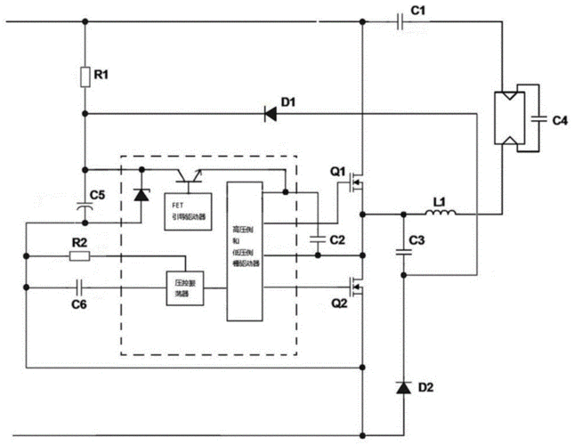
一种紫外灯镇流器电路的制作方法
突然想吃小时候的红旗雪糕